|
|
 |
| |
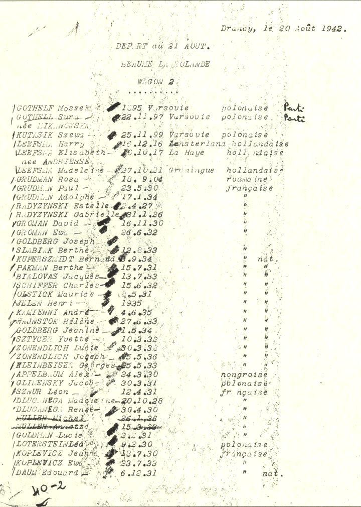
A page taken from the deportation list
for convoy 22 of August 21, 1942. The names
of Michel Muller and Annette Muller have been crossed off. Freed from Drancy,
they were placed in the care of the UGIF, and their father was eventually able
to retrieve them. They would live to give testimony, in print and in film.
|
|
| |
| |
| |
FRENCH
CHILDREN OF THE HOLOCAUST A memorial Serge Klarsfeld
 |
Back |
Page 53 |
Forward |
 |
|